Подшипник роликовый конический однорядный
Конический роликовый подшипник, однорядный, предназначен для эксплуатации в подшипниковых узлах с высокими радиальными и осевыми нагрузками, имеет возможность регулировки как осевого так и радиального зазора. Конические роликоподшипники имеют дорожки качения внутреннего и наружного колец, между которыми находится комплект конических роликов. Если образующие конических поверхностей продолжить, то они сойдутся в одной точке, которая находится на оси подшипника. Это означает, что условия качения являются оптимальными. Конические роликоподшипники хорошо воспринимают комбинированные нагрузки (радиальные и осевые).
Способность подшипника нести осевую нагрузку в большей степени определяется углом контакта, который соответствует углу дорожки качения наружного кольца. Чем больше угол, тем больше грузоподъемность по осевой нагрузке. Конические роликоподшипники имеют разъемную конструкцию, т.е. внутреннее кольцо с роликами и сепаратором образуют блок, который может быть смонтирован отдельно от наружного кольца.
Конические роликоподшипники бывают однорядные, двухрядные и четырехрядные. Но в основном производители выпускают однорядные конические роликоподшипники.
Однорядные конические роликоподшипники способны воспринимать только односторонние осевые нагрузки. При радиальных нагрузках в подшипнике возникает осевое усилие, которому необходимо противодействовать. Поэтому однорядные конические роликоподшипники обычно устанавливают так, что на другом конце вала стоит второй конический роликоподшипник.
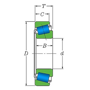
РАЗМЕРЫ И ХАРАКТЕРИСТИКИ Подшипник 2007119 (32019) 9 ГПЗ

Производитель | 9 ГПЗ |
Внутренний диаметр - d (мм) | 95 |
Наружный диаметр - D (мм) | 145 |
Ширина - B (мм) | 32 |
Динамическая нагрузка, kN | 170 |
Статическая нагрузка, kN | 240 |
Скорость вращения (пласт. смазка), min-1 | 2200 |
Скорость вращения (жидкая смазка), min-1 | 3000 |
Ширина - C (мм) | 24 |
Ширина - T (мм) | 32 |
Тело качения | Ролик |
Тип по направлению нагрузки | Радиально-упорный |
Направление нагрузки | Радиально-упорный |
Тип товара | Роликовый конический |
Подтип товара | Подшипник роликовый конический однорядный |
Остатки по складам
Москва (г. Москва, ул. Ткацкая, д. 1) | |
Клин (МО, г. Клин, Ленинградское шоссе 88 км) |
Подшипники этой же группы соответствия
Смотреть все >
Похожие Подшипники
Смотреть все >
С этим товаром покупают
Смотреть все >

CUPPER HT 15 до 300 С (1 кг)
7352 р.

Универсальная 5 мл STLK
184 р.
-