РАЗМЕРЫ И ХАРАКТЕРИСТИКИ Подшипник NA 49 /22 JNS

Производитель | JNS |
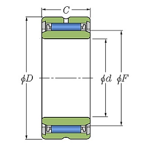
Внутренний диаметр - d (мм) | 22 |
Наружный диаметр - D (мм) | 39 |
Ширина - B (мм) | 17 |
Тело качения | Иголка |
Тип по направлению нагрузки | Радиальный |
Направление нагрузки | Радиальный |
Тип товара | Игольчатый |
Подтип товара | NKI/NA игольчатый с внутренним кольцом |
Остатки по складам
Москва (г. Москва, ул. Ткацкая, д. 1) | |
Клин (МО, г. Клин, Ленинградское шоссе 88 км) |
Подшипники этой же группы соответствия
Смотреть все >

NA 49 /22 JNS
1614 р.
Похожие Подшипники
Смотреть все >
С этим товаром покупают
Смотреть все >
-