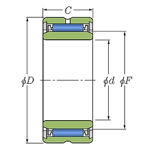
РАЗМЕРЫ И ХАРАКТЕРИСТИКИ Подшипник NA 4906 CX

Производитель | CX |
Внутренний диаметр - d (мм) | 30 |
Наружный диаметр - D (мм) | 47 |
Ширина - B (мм) | 17 |
Динамическая нагрузка, kN | 25.5 |
Статическая нагрузка, kN | 75 |
Скорость вращения (пласт. смазка), min-1 | 7500 |
Скорость вращения (жидкая смазка), min-1 | 11000 |
Длина упаковки (см) | 4.7 |
Ширина упаковки (см) | 4.7 |
Высота упаковки (см) | 1.7 |
Тело качения | Иголка |
Тип по направлению нагрузки | Радиальный |
Направление нагрузки | Радиальный |
Тип товара | Игольчатый |
Подтип товара | NKI/NA игольчатый с внутренним кольцом |
Остатки по складам
Москва (г. Москва, ул. Ткацкая, д. 1) | |
Клин (МО, г. Клин, Ленинградское шоссе 88 км) |
Подшипники этой же группы соответствия
Смотреть все >
Похожие Подшипники
Смотреть все >
С этим товаром покупают
Смотреть все >
-