NKI/NA игольчатый с внутренним кольцом
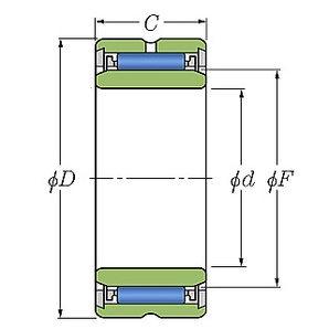
Подшипник игольчатый, с сепаратором, с внутренним кольцом в сборе. По наружному кольцу проходит проточка для подачи смазки. Внутреннее кольцо подвижно в обе стороны.
РАЗМЕРЫ И ХАРАКТЕРИСТИКИ Подшипник NA 4905 UU JNS

Производитель | JNS |
Внутренний диаметр - d (мм) | 25 |
Наружный диаметр - D (мм) | 42 |
Ширина - B (мм) | 18 |
Динамическая нагрузка, kN | 20.3 |
Статическая нагрузка, kN | 25.1 |
Скорость вращения (пласт. смазка), min-1 | 6500 |
Ширина - B1 (мм) | 17 |
Тело качения | Иголка |
Тип по направлению нагрузки | Радиальный |
Направление нагрузки | Радиальный |
Тип товара | Игольчатый |
Подтип товара | NKI/NA игольчатый с внутренним кольцом |
Остатки по складам
Москва (г. Москва, ул. Ткацкая, д. 1) | |
Клин (МО, г. Клин, Ленинградское шоссе 88 км) |
Подшипники этой же группы соответствия
Смотреть все >
Похожие Подшипники
Смотреть все >

6214 ZZC3/2AS NTN
4552 р.

6304 BHTS ZZ 280 C° BECO
3000 р.
С этим товаром покупают
Смотреть все >

Спрей BIG D-40 (200мл)
352 р.

Mobilux EP 2 пластич. мин. MOBIL
1440 р.

CUPPER HT 15 до 300 С (250 гр)
4743 р.
-