NKI/NA игольчатый с внутренним кольцом
Подшипник игольчатый, с сепаратором, с внутренним кольцом в сборе. По наружному кольцу проходит проточка для подачи смазки. Внутреннее кольцо подвижно в обе стороны.
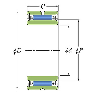
РАЗМЕРЫ И ХАРАКТЕРИСТИКИ Подшипник NA 4902 R NTN

Производитель | NTN |
Внутренний диаметр - d (мм) | 15 |
Наружный диаметр - D (мм) | 28 |
Ширина - B (мм) | 13 |
Динамическая нагрузка, kN | 10.3 |
Статическая нагрузка, kN | 12.8 |
Скорость вращения (пласт. смазка), min-1 | 13000 |
Скорость вращения (жидкая смазка), min-1 | 20000 |
Длина упаковки (см) | 4 |
Ширина упаковки (см) | 4 |
Высота упаковки (см) | 2.5 |
Масса, kg | 0.036 |
Тело качения | Иголка |
Тип по направлению нагрузки | Радиальный |
Направление нагрузки | Радиальный |
Тип товара | Игольчатый |
Подтип товара | NKI/NA игольчатый с внутренним кольцом |
Остатки по складам
Москва (г. Москва, ул. Ткацкая, д. 1) | |
Клин (МО, г. Клин, Ленинградское шоссе 88 км) |
Подшипники этой же группы соответствия
Смотреть все >

NA 4902 MTM
346 р.

NA 4902 R NTN
2419 р.
Похожие Подшипники
Смотреть все >
С этим товаром покупают
Смотреть все >
-