NKI/NA игольчатый с внутренним кольцом
Подшипник игольчатый, с сепаратором, с внутренним кольцом в сборе. По наружному кольцу проходит проточка для подачи смазки. Внутреннее кольцо подвижно в обе стороны.
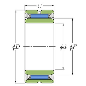
РАЗМЕРЫ И ХАРАКТЕРИСТИКИ Подшипник NA 4900 UU JNS

Производитель | JNS |
Внутренний диаметр - d (мм) | 10 |
Наружный диаметр - D (мм) | 22 |
Ширина - B (мм) | 13 |
Динамическая нагрузка, kN | 8 |
Статическая нагрузка, kN | 8.5 |
Скорость вращения (пласт. смазка), min-1 | 14000 |
Ширина - B1 (мм) | 14 |
Тело качения | Иголка |
Тип по направлению нагрузки | Радиальный |
Направление нагрузки | Радиальный |
Тип товара | Игольчатый |
Подтип товара | NKI/NA игольчатый с внутренним кольцом |
Остатки по складам
Москва (г. Москва, ул. Ткацкая, д. 1) | |
Клин (МО, г. Клин, Ленинградское шоссе 88 км) |
Подшипники этой же группы соответствия
Смотреть все >
Похожие Подшипники
Смотреть все >
С этим товаром покупают
Смотреть все >
-