N роликовый однорядный радиальный
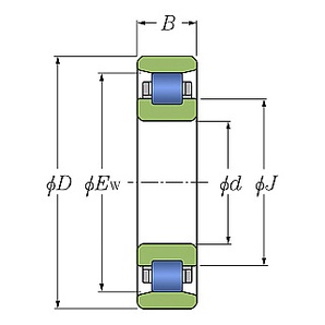
Однорядные радиальные роликовые подшипники типа N с двумя бортиками на внутреннем кольце и внешнее без бортиков, применяется для подшипниковых узлов с небольшим осевым смещением в обе стороны.
РАЗМЕРЫ И ХАРАКТЕРИСТИКИ Подшипник N 217 NTN

Производитель | NTN |
Внутренний диаметр - d (мм) | 85 |
Наружный диаметр - D (мм) | 150 |
Ширина - B (мм) | 28 |
Динамическая нагрузка, kN | 120 |
Статическая нагрузка, kN | 140 |
Скорость вращения (пласт. смазка), min-1 | 12300 |
Скорость вращения (жидкая смазка), min-1 | 14300 |
Тело качения | Ролик |
Тип по направлению нагрузки | Радиальный |
Количество рядов | 1 |
Направление нагрузки | Радиальный |
Тип товара | Роликовый цилиндрический |
Подтип товара | N роликовый однорядный радиальный |
Спецификация | NTN N 217.pdf |
Остатки по складам
Москва (г. Москва, ул. Ткацкая, д. 1) | |
Клин (МО, г. Клин, Ленинградское шоссе 88 км) |
Подшипники этой же группы соответствия
Смотреть все >

N 217 NTN
47248 р.
Похожие Подшипники
Смотреть все >
С этим товаром покупают
Смотреть все >
-