Пополнение склада Подробнее
Фильтр
Категория
Вся продукция
Подшипники
РазмерСбросить
Внутренний диаметр - d (мм)
от
до
Наружный диаметр - D (мм)
от
до
Ширина - B (мм)
от
до
Производитель
1
2
3
4
5
6
7
8
9
A
B
C
D
E
F
G
H
I
J
K
L
M
N
O
P
R
S
T
U
V
Y
Z
А
Г
Е
З
М
П
С
У
Показать еще
Расширенный фильтр
Цена Сбросить
от
до
Тип товара
Показать еще
Подтип товара
Показать еще
Тело качения
Тип по направлению нагрузки
Количество рядов
Из нержавеющей стали

Подшипник HK 121816 MTM

Артикул: 227982

110 ₽/шт.

Указана розничная цена

Цена оптовая
50+
В наличии ?

Купить в количестве:

Доставка:
от 300 ₽
Самовывоз:
бесплатно
Мин.сумма заказа:
500 ₽
HK игольчатый без втулки
Подшипник игольчатый, однорядный, без внутреннего кольца (без втулки).Подшипник роликовый игольчатый со штампованным наружным кольцом и с сепаратором, соответствует стандарту ISO 15. Направление воспринимаемых нагрузок - радиальное.

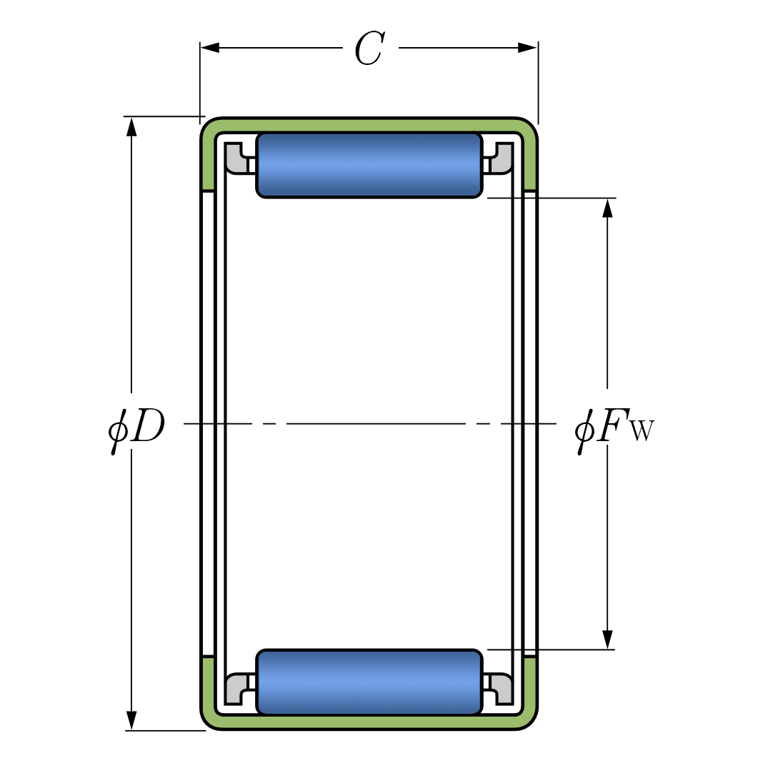
РАЗМЕРЫ И ХАРАКТЕРИСТИКИ Подшипник HK 121816 MTM

Подшипник HK 121816 Схема
Производитель MTM
Внутренний диаметр - d (мм) 12
Наружный диаметр - D (мм) 18
Ширина - B (мм) 16
Динамическая нагрузка, kN 8.2
Статическая нагрузка, kN 10.8
Длина упаковки (см) 1.8
Ширина упаковки (см) 1.8
Высота упаковки (см) 1.6
Тело качения Иголка
Тип по направлению нагрузки Радиальный
Направление нагрузки Радиальный
Тип товара Игольчатый
Подтип товара HK игольчатый без втулки
Остатки по складам
Москва (г. Москва, ул. Ткацкая, д. 1)
50+
Клин (МО, г. Клин, Ленинградское шоссе 88 км)
8

Подшипники этой же группы соответствия
Смотреть все >
HK 121816 MTM
HK 121816 MTM
50+
В наличии

110 р.

HK 121816 CX
HK 121816 CX
Под заказ

337 р.

Похожие Подшипники
Смотреть все >
7213 (30213) ZNL
7213 (30213) ZNL
46
В наличии

2517 р.

22316 EXQW33C3 NACHI
22316 EXQW33C3 NACHI
Под заказ

39010 р.

6204 ZZCM/5K NTN
6204 ZZCM/5K NTN
Под заказ

1007 р.

С этим товаром покупают
Смотреть все >
Polyrex EM пластичная MOBIL
Polyrex EM пластичная MOBIL
Под заказ

2529 р.

Спрей BIG D-40 (100мл)
Спрей BIG D-40 (100мл)
1
В наличии

313 р.

Gadus S5 V100 2 380 г SHELL
Gadus S5 V100 2 380 г SHELL
Под заказ

2965 р.

Контакты Сравнение Корзина Избранное ЛК

-

-

.