Пополнение склада Подробнее
Фильтр
Категория
Вся продукция
Подшипники
РазмерСбросить
Внутренний диаметр - d (мм)
от
до
Наружный диаметр - D (мм)
от
до
Ширина - B (мм)
от
до
Производитель
1
2
3
4
5
6
7
8
9
A
B
C
D
E
F
G
H
I
J
K
L
M
N
O
P
R
S
T
U
V
X
Y
Z
А
Г
Е
З
М
П
С
У
Показать еще
Расширенный фильтр
Цена Сбросить
от
до
Тип товара
Показать еще
Подтип товара
Показать еще
Тело качения
Тип по направлению нагрузки
Количество рядов
Из нержавеющей стали

Подшипник HK 0607 CX

Артикул: 221282

198 ₽/шт.

Указана розничная цена

Цена оптовая
12
В наличии ?

Купить в количестве:

Доставка:
от 300 ₽
Самовывоз:
бесплатно
Мин.сумма заказа:
500 ₽
HK игольчатый без втулки
Подшипник игольчатый, однорядный, без внутреннего кольца (без втулки).Подшипник роликовый игольчатый со штампованным наружным кольцом и с сепаратором, соответствует стандарту ISO 15. Направление воспринимаемых нагрузок - радиальное.

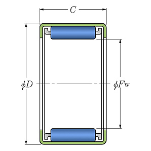
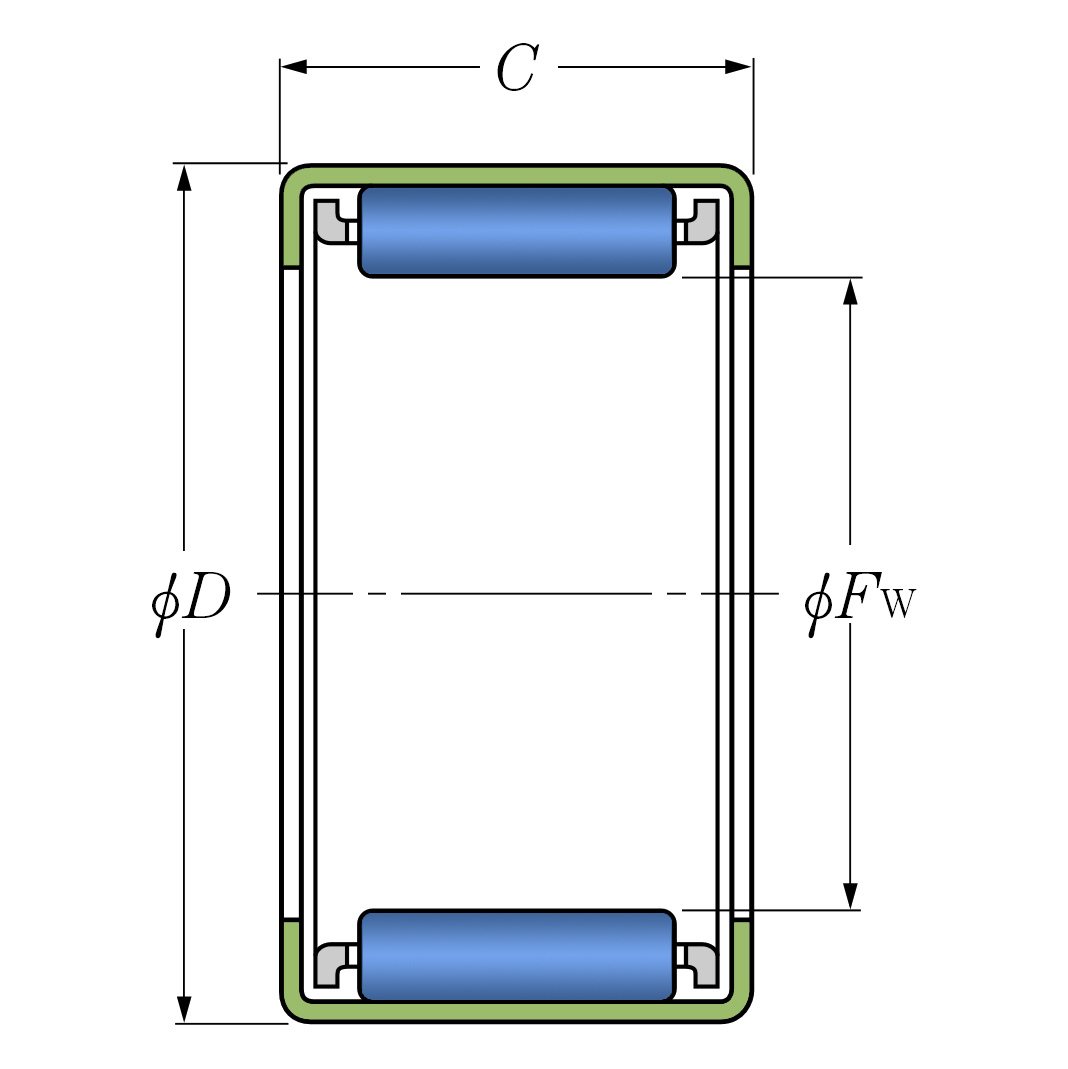
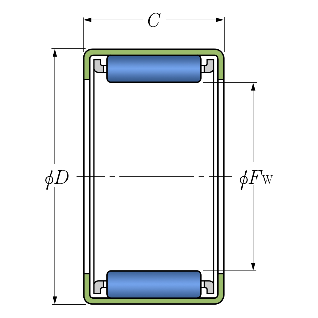
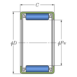
РАЗМЕРЫ И ХАРАКТЕРИСТИКИ Подшипник HK 0607 CX

Подшипник HK 0607 Схема
Производитель CX
Внутренний диаметр - d (мм) 6
Наружный диаметр - D (мм) 10
Ширина - B (мм) 7
Динамическая нагрузка, kN 1.9
Статическая нагрузка, kN 1.7
Скорость вращения (пласт. смазка), min-1 16000
Скорость вращения (жидкая смазка), min-1 22000
Длина упаковки (см) 1
Ширина упаковки (см) 1
Высота упаковки (см) 0.7
Тело качения Иголка
Тип по направлению нагрузки Радиальный
Направление нагрузки Радиальный
Тип товара Игольчатый
Подтип товара HK игольчатый без втулки
Остатки по складам
Москва (г. Москва, ул. Ткацкая, д. 1)
2
Клин (МО, г. Клин, Ленинградское шоссе 88 км)
10

Подшипники этой же группы соответствия
Смотреть все >
HK 0607 CX
HK 0607 CX
12
В наличии

198 р.

Похожие Подшипники
Смотреть все >
180309 (6309 2RS) CX
180309 (6309 2RS) CX
Под заказ

2359 р.

8108 (51108) ZNL
8108 (51108) ZNL
50+
В наличии

548 р.

180103 (6003 2RS) DPI
180103 (6003 2RS) DPI
Под заказ

298 р.

С этим товаром покупают
Смотреть все >
Шрус 4 100 г LECAR
Шрус 4 100 г LECAR
2
В наличии

252 р.

Polyrex EM пластичная MOBIL
Polyrex EM пластичная MOBIL
Под заказ

2124 р.

Смазка LGWA 2 /0,4 SKF
Смазка LGWA 2 /0,4 SKF
Под заказ

3231 р.

Контакты Сравнение Корзина Избранное ЛК

-

-

.