Пополнение склада Подробнее
Фильтр
Категория
Вся продукция
Подшипники
РазмерСбросить
Внутренний диаметр - d (мм)
от
до
Наружный диаметр - D (мм)
от
до
Ширина - B (мм)
от
до
Производитель
1
2
3
4
5
6
7
8
9
A
B
C
D
E
F
G
H
I
J
K
L
M
N
O
P
R
S
T
U
V
X
Y
Z
А
Г
Е
З
М
П
С
У
Показать еще
Расширенный фильтр
Цена Сбросить
от
до
Тип товара
Показать еще
Подтип товара
Показать еще
Тело качения
Тип по направлению нагрузки
Количество рядов
Из нержавеющей стали

Подшипник HK 1622 FBJ

Нет изображения
Артикул: 221433
Под заказ ?
Доставка:
от 300 ₽
Самовывоз:
бесплатно
Мин.сумма заказа:
500 ₽
HK игольчатый без втулки
Подшипник игольчатый, однорядный, без внутреннего кольца (без втулки).Подшипник роликовый игольчатый со штампованным наружным кольцом и с сепаратором, соответствует стандарту ISO 15. Направление воспринимаемых нагрузок - радиальное.

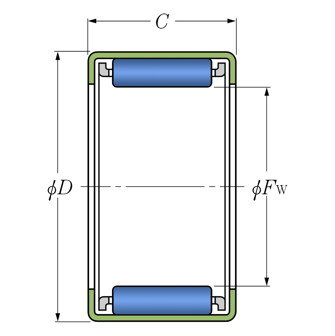
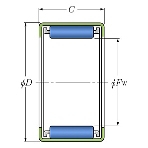
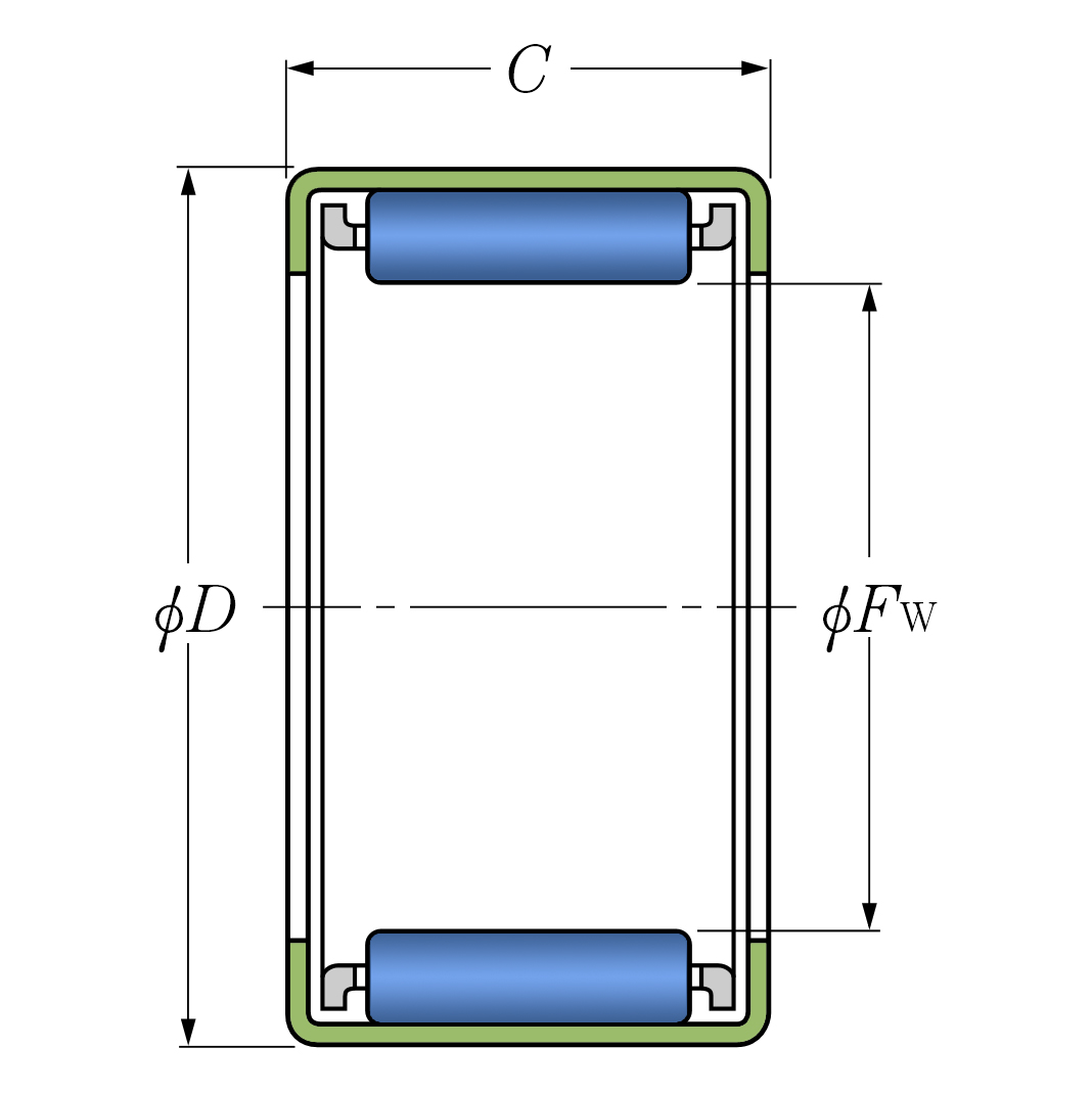
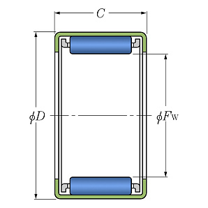
РАЗМЕРЫ И ХАРАКТЕРИСТИКИ Подшипник HK 1622 FBJ

Подшипник HK 1622 Схема
Производитель FBJ
Внутренний диаметр - d (мм) 16
Наружный диаметр - D (мм) 22
Ширина - B (мм) 22
Динамическая нагрузка, kN 11.1
Статическая нагрузка, kN 17.4
Скорость вращения (пласт. смазка), min-1 8400
Скорость вращения (жидкая смазка), min-1 14000
Тело качения Иголка
Тип по направлению нагрузки Радиальный
Направление нагрузки Радиальный
Тип товара Игольчатый
Подтип товара HK игольчатый без втулки
Остатки по складам
Москва (г. Москва, ул. Ткацкая, д. 1)
0
Клин (МО, г. Клин, Ленинградское шоссе 88 км)
0

Подшипники этой же группы соответствия
Смотреть все >
HK 1622 CX
HK 1622 CX
1
В наличии

380 р.

Похожие Подшипники
Смотреть все >
6001 JRLLUC3/2AS (2RSC3) NTN
6001 JRLLUC3/2AS (2RSC3) NTN
Под заказ

908 р.

6204 ZZ NSK
6204 ZZ NSK
Под заказ

1090 р.

6004 BHTS ZZ 280 C° BECO
6004 BHTS ZZ 280 C° BECO
15
В наличии

2946 р.

С этим товаром покупают
Смотреть все >
Литол 24 100 г LUXE
Литол 24 100 г LUXE
Под заказ

239 р.

Polyrex EM пластичная MOBIL
Polyrex EM пластичная MOBIL
Под заказ

2124 р.

Смазка Шрус X5 NLGI 2/3 (200г) VMP AUTO
Смазка Шрус X5 NLGI 2/3 (200г) VMP AUTO
7
В наличии

491 р.

Контакты Сравнение Корзина Избранное ЛК

-

-

.