N роликовый однорядный радиальный
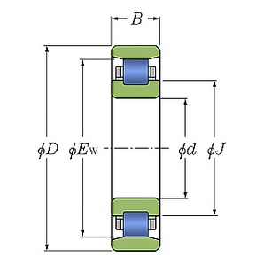
Однорядные радиальные роликовые подшипники типа N с двумя бортиками на внутреннем кольце и внешнее без бортиков, применяется для подшипниковых узлов с небольшим осевым смещением в обе стороны.
РАЗМЕРЫ И ХАРАКТЕРИСТИКИ Подшипник 60- 2309 КМ (N 309) 10 ГПЗ

Производитель | 10 ГПЗ |
Внутренний диаметр - d (мм) | 45 |
Наружный диаметр - D (мм) | 100 |
Ширина - B (мм) | 25 |
Динамическая нагрузка, kN | 86.5 |
Статическая нагрузка, kN | 50 |
Скорость вращения (пласт. смазка), min-1 | 6300 |
Скорость вращения (жидкая смазка), min-1 | 7500 |
Тело качения | Ролик |
Тип по направлению нагрузки | Радиальный |
Количество рядов | 1 |
Направление нагрузки | Радиальный |
Тип товара | Роликовый радиальный |
Подтип товара | N роликовый однорядный радиальный |
Остатки по складам
Москва (г. Москва, ул. Ткацкая, д. 1) | |
Клин (МО, г. Клин, Ленинградское шоссе 88 км) |
Подшипники этой же группы соответствия
Смотреть все >

6- 2309 КМ (N 309) 10 ГПЗ
587 р.
Похожие Подшипники
Смотреть все >
С этим товаром покупают
Смотреть все >

Смазка LGEP 2 /0.4 SKF
2885 р.

Универсальная 5 мл STLK
184 р.
-