Пополнение склада Подробнее
Фильтр
Категория
Вся продукция
Подшипники
РазмерСбросить
Внутренний диаметр - d (мм)
от
до
Наружный диаметр - D (мм)
от
до
Ширина - B (мм)
от
до
Производитель
1
2
3
4
5
6
7
8
9
A
B
C
D
E
F
G
H
I
J
K
L
M
N
O
P
R
S
T
U
V
Y
Z
А
Г
Е
З
М
П
С
У
Показать еще
Расширенный фильтр
Цена Сбросить
от
до
Тип товара
Показать еще
Подтип товара
Показать еще
Тело качения
Тип по направлению нагрузки
Количество рядов
Из нержавеющей стали

Подшипник 4074105 SZPK

Нет изображения
Артикул: 214698

485 ₽/шт.

Указана розничная цена

Цена оптовая
1
В наличии ?

Купить в количестве:

Доставка:
от 300 ₽
Самовывоз:
бесплатно
Мин.сумма заказа:
500 ₽
NKI/NA игольчатый с внутренним кольцом
Подшипник игольчатый, с сепаратором, с внутренним кольцом в сборе. По наружному кольцу проходит проточка для подачи смазки. Внутреннее кольцо подвижно в обе стороны.

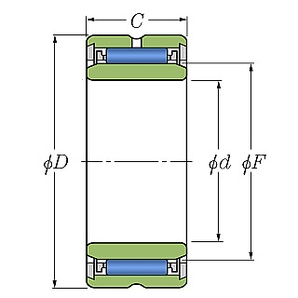
РАЗМЕРЫ И ХАРАКТЕРИСТИКИ Подшипник 4074105 SZPK

Подшипник 4074105 Схема
Производитель SZPK
Внутренний диаметр - d (мм) 25
Наружный диаметр - D (мм) 47
Ширина - B (мм) 22
Тело качения Иголка
Тип по направлению нагрузки Радиальный
Направление нагрузки Радиальный
Тип товара Игольчатый
Подтип товара NKI/NA игольчатый с внутренним кольцом
Остатки по складам
Москва (г. Москва, ул. Ткацкая, д. 1)
1
Клин (МО, г. Клин, Ленинградское шоссе 88 км)
0

Похожие Подшипники
Смотреть все >
NN 3019 KP51 ( 3182119 ) ZKL
NN 3019 KP51 ( 3182119 ) ZKL
6
В наличии

9282 р.

1000807 2RS ( 61807/6807 2RS ) SZPK
1000807 2RS ( 61807/6807 2RS ) SZPK
Под заказ

649 р.

3626 Н (22326 W33) СПЗ
3626 Н (22326 W33) СПЗ
Под заказ

73664 р.

С этим товаром покупают
Смотреть все >
Смазка LGWA 2 /0,4 SKF
Смазка LGWA 2 /0,4 SKF
Под заказ

3699 р.

Спрей WD-40 (400 мл)
Спрей WD-40 (400 мл)
Под заказ

1354 р.

Спрей BIG D-40 (200мл)
Спрей BIG D-40 (200мл)
Под заказ

381 р.

Контакты Сравнение Корзина Избранное ЛК

-

-

.