Пополнение склада Подробнее
Фильтр
Категория
Вся продукция
Подшипники
РазмерСбросить
Внутренний диаметр - d (мм)
от
до
Наружный диаметр - D (мм)
от
до
Ширина - B (мм)
от
до
Производитель
1
2
3
4
5
6
7
8
9
A
B
C
D
E
F
G
H
I
J
K
L
M
N
O
P
R
S
T
U
V
Y
Z
А
Г
Е
З
М
П
С
У
Показать еще
Расширенный фильтр
Цена Сбросить
от
до
Тип товара
Показать еще
Подтип товара
Показать еще
Тело качения
Тип по направлению нагрузки
Количество рядов
Из нержавеющей стали

Подшипник 2218 Л ( N 218 )

Нет изображения
Артикул: 212616
Под заказ ?
Доставка:
от 300 ₽
Самовывоз:
бесплатно
Мин.сумма заказа:
500 ₽
N роликовый однорядный радиальный
Однорядные радиальные роликовые подшипники типа N с двумя бортиками на внутреннем кольце и внешнее без бортиков, применяется для подшипниковых узлов с небольшим осевым смещением в обе стороны.

РАЗМЕРЫ И ХАРАКТЕРИСТИКИ Подшипник 2218 Л ( N 218 )

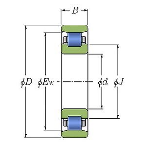
Подшипник N 218 (2218) Схема
Внутренний диаметр - d (мм) 90
Наружный диаметр - D (мм) 160
Ширина - B (мм) 30
Тело качения Ролик
Тип по направлению нагрузки Радиальный
Количество рядов 1
Направление нагрузки Радиальный
Тип товара Роликовый цилиндрический
Подтип товара N роликовый однорядный радиальный
Остатки по складам
Москва (г. Москва, ул. Ткацкая, д. 1)
0
Клин (МО, г. Клин, Ленинградское шоссе 88 км)
0

Похожие Подшипники
Смотреть все >
6- 180302 АС17Ш2 (6302 2RS) ППЗ
6- 180302 АС17Ш2 (6302 2RS) ППЗ
9
В наличии

116 р.

6- 2007109 (32009) 1 ГПЗ
6- 2007109 (32009) 1 ГПЗ
Под заказ

1275 р.

6300 2RS (2NSE9) NACHI
6300 2RS (2NSE9) NACHI
22
В наличии

1283 р.

С этим товаром покупают
Смотреть все >
Gadus S3 T220 2 400 г SHELL
Gadus S3 T220 2 400 г SHELL
Под заказ

1246 р.

CUPPER HT 15 до 300 С (250 гр) CUPPER
CUPPER HT 15 до 300 С (250 гр) CUPPER
Под заказ

4855 р.

Медная паста 100 г LIQUI MOLY
Медная паста 100 г LIQUI MOLY
15
В наличии

1129 р.

Контакты Сравнение Корзина Избранное ЛК

-

-

.