N роликовый однорядный радиальный
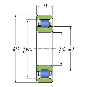
Однорядные радиальные роликовые подшипники типа N с двумя бортиками на внутреннем кольце и внешнее без бортиков, применяется для подшипниковых узлов с небольшим осевым смещением в обе стороны.
РАЗМЕРЫ И ХАРАКТЕРИСТИКИ Подшипник 102210 М (N210W) СПЗ-64

Производитель | СПЗ-64 |
Внутренний диаметр - d (мм) | 50 |
Наружный диаметр - D (мм) | 90 |
Ширина - B (мм) | 20 |
Длина упаковки (см) | 9 |
Ширина упаковки (см) | 9 |
Высота упаковки (см) | 2 |
Тело качения | Ролик |
Тип по направлению нагрузки | Радиальный |
Количество рядов | 1 |
Направление нагрузки | Радиальный |
Тип товара | Роликовый цилиндрический |
Подтип товара | N роликовый однорядный радиальный |
Остатки по складам
Москва (г. Москва, ул. Ткацкая, д. 1) | |
Клин (МО, г. Клин, Ленинградское шоссе 88 км) |
Подшипники этой же группы соответствия
Смотреть все >

102210 (N210W) CRAFT
845 р.
Похожие Подшипники
Смотреть все >
С этим товаром покупают
Смотреть все >
-